News and Events
新聞資訊
關于我司參與2024年山西省技術發明獎項目的公示
2024-12-09
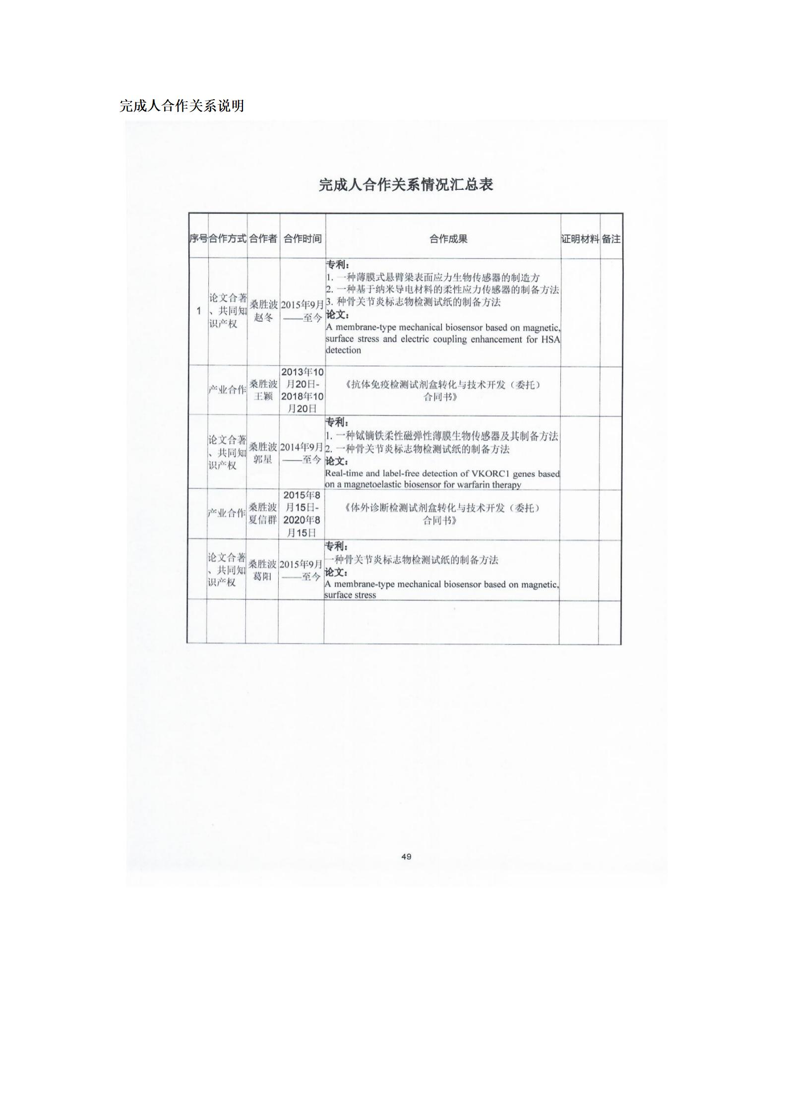
根據山西省科學技術廳關于山西省技術發明獎提名工作的相關規定,浙江泰林生物技術股份有限公司、太原理工大學、武漢明德生物科技股份有限公司合作研發的科技成果“體外診斷生物傳感系統的創制與應用”擬提名2024年度山西省技術發明獎一等獎,現予以公示。公示期2024年12月09日至2024年12月15日。










EN